服务热线

0577-62831867

250系列

当前位置:首页 - 产品中心 - 连接端子 - 250系列

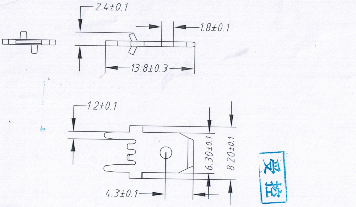
ZL250平衡脚插片 ZLR25012G-2

分类:250系列

电话沟通

0577-62831867

电子邮箱

286501121@qq.com

手机浏览

回到顶部